电子邮件
liuzhixiang@szyyj.com
腾讯QQ
1046705846
固定电话
0523-87892448
企业微信 (直接沟通)

公众号

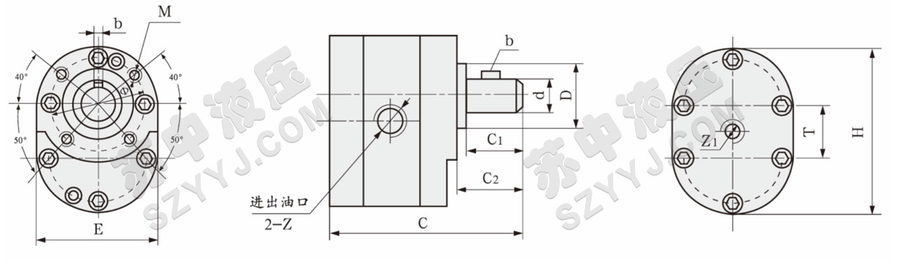
HY01(CBJ)系列齿轮油泵时CB-B型齿轮泵的上一代产品,由于其性能稳定,同心度好,其结构的特殊性,一直以来仍然被广泛使用,如平面磨床、滤油机等。经过改进还可以输送高温胶水。
HY01型齿轮油泵电机组装置外形尺寸可以参考CB-B JZ,BB-B JZ。(安装时,Z1泄漏油孔接入油箱)
liuzhixiang@szyyj.com
1046705846
0523-87892448

