苏中液压 产品中心

泵

齿轮泵 摆线齿轮油泵 低噪音大流量齿轮泵 不锈钢齿轮泵 双向润滑泵 双联齿轮泵 叶片泵 柱塞泵 非标泵 胶水泵

电机装置

立式电机装置 卧式电机装置 立卧式电机装置 减速机润滑泵

液压配件

齿轮 摆线转子 油泵支架 联轴器 指示器 滤油器 冷却器
非标定制 技术支持 新闻资讯 关于我们 淘宝旗舰店
中文
中文
English
联系我们
BB-B ※ Y系列摆线齿轮油泵

BB-B ※ Y系列摆线齿轮油泵

常用场景
输油泵 润滑泵 冷却泵 稀油站 滤油车
等...

产品简介

BB-B Y系列摆线齿轮油泵结构紧凑,油泵内置安全阀,省去了管道连接,所以密封可靠,管路简单,该系列摆线齿轮油泵特别适用于滤油车,稀油站用作输油泵、冷却泵、润滑泵用。

技术参数

BB-B ※ Y系列摆线齿轮油泵技术参数

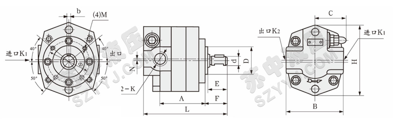
外形尺寸

BB-B ※ Y系列摆线齿轮油泵外形尺寸

技术规格

BB-B ※ Y系列摆线齿轮油泵技术规格

相关技术支持

2016-06-14
机床润滑油泵保养几大注意点
2016-06-14
齿轮泵在润滑系统中是如何工作
2016-06-13
泰液输油泵用途
2016-06-13
发电机用输油齿轮油泵维护

相关新闻资讯

2016-06-16
齿轮泵齿轮去毛刺
2016-06-15
齿轮油泵不出油或出油少原因分析
2016-06-15
BB摆线泵安装操作说明和注意事项
2016-06-15
常规型齿轮油泵特点
2016-06-15
齿轮油泵磨损后如何修复
2016-06-15
环保型齿轮油泵发展迅猛
2016-06-15
齿轮油泵发展历史介绍
2016-06-15
齿轮油泵型号怎么确定
2016-06-14
液压泵过度磨损过度引起挖掘机故障
2016-06-13
网上苏中图片真假分辨

导航
产品简介 技术参数 外形尺寸 技术规格 相关技术支持 相关新闻资讯
工具箱 在线咨询 QQ咨询 电子邮箱

电话/传真

手机:(+86)18952696448

固话:0523-87892448

传真:0523-87892779

联系我们

(+86)18952696448

电子邮件

liuzhixiang@szyyj.com

腾讯QQ

1046705846

固定电话

0523-87892448

企业微信 (直接沟通)

wechat

公众号

wechat

查看详细联系方式

关于我们

苏中简介 苏中荣誉 联系我们

主营产品

泵 电机装置 液压配件

服务支持

技术支持 新闻资讯

友情链接

阿里巴巴店 淘宝店 百川泵业

关注苏中

微信公众号 新浪微博 收藏我们的网站 分享当前页面

(+86)18952696448 wechat

网站地图 联系我们 服务条款 兼容模式 苏ICP备11085710号-2 ©版权所有 泰兴市苏中液压件成套厂 苏公网安备32128302001579
齿轮泵 齿轮油泵 摆线齿轮泵 液压齿轮泵 不锈钢齿轮泵 低噪音大流量齿轮泵 双向润滑泵 减速机润滑泵 双联齿轮泵 高压齿轮泵 胶水泵 高温齿轮泵 非标齿轮油泵
分享当前页面
更多
关闭弹窗