电子邮件
liuzhixiang@szyyj.com
腾讯QQ
1046705846
固定电话
0523-87892448
企业微信 (直接沟通)

公众号

BB-B系列摆线齿轮油泵,是一种容积式内啮合摆线齿轮油泵,由于摆线齿轮油泵结构简单,噪音低,输油平稳,自吸性能好,广泛应用于液压机械等静压轴承装置、机床液压系统中作动力源,也用于滤油车、稀油站、柴油机供油系统作输油泵、润滑泵、燃油泵用。
| 型号 | 额定容量 | 额定压力 | 额定转速 | 压力脉动 | 容积效率 | 驱动功率 |
|---|---|---|---|---|---|---|
BB-B4 | 4 | 2.5 | 1450 | ±0.15 | ≥80 | 0.21 |
BB-B6 | 6 | 0.31 | ||||
BB-B10 | 10 | ≥90 | 0.51 | |||
BB-B16 | 16 | 0.82 | ||||
BB-B20 | 20 | 1.02 | ||||
BB-B25 | 25 | 1.30 | ||||
BB-B32 | 32 | 1.65 | ||||
BB-B40 | 40 | 2.10 | ||||
BB-B50 | 50 | 2.60 | ||||
BB-B63 | 63 | 3.30 | ||||
BB-B80 | 80 | 4.10 | ||||
BB-B100 | 100 | 5.10 | ||||
BB-B125 | 125 | 6.50 |
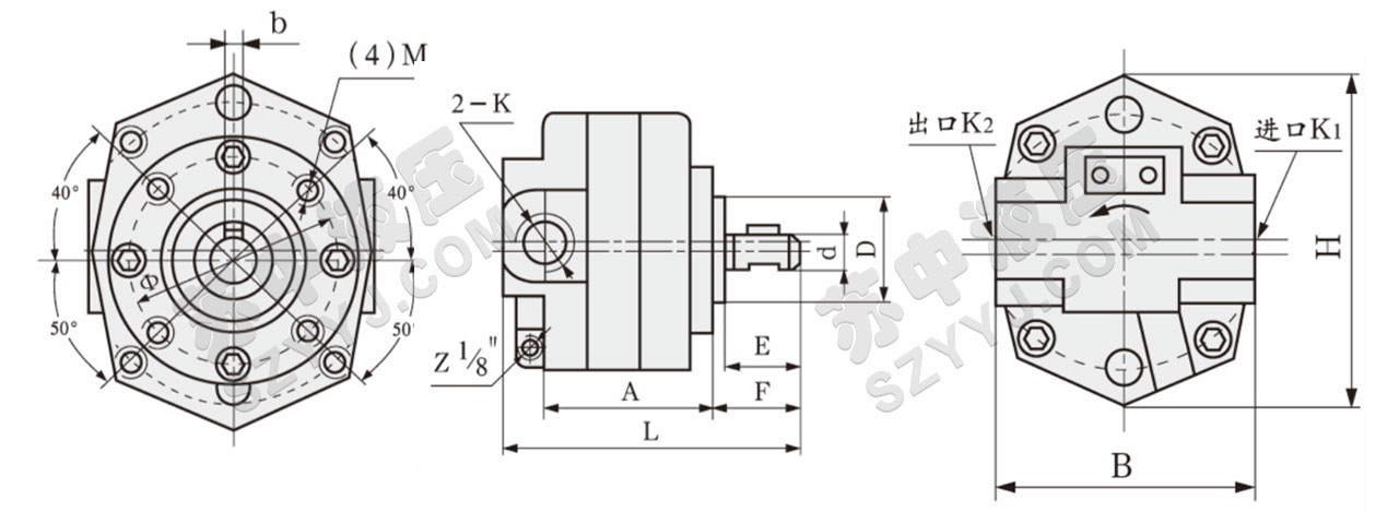
| 型号 | A | B | E | F | H | L | D(f8) | d(h7) | Φ | B | M | K |
|---|---|---|---|---|---|---|---|---|---|---|---|---|
BB-B4 | 50 | 75 | 25 | 30 | 92 | 94 | Φ35 | Φ12 | Φ50 | 4 | M6 | Z3/8" |
BB-B6 | 55 | 99 | ||||||||||
BB-B10 | 64 | 108 | ||||||||||
BB-B16 | 72 | 95 | 30 | 35 | 117 | 127 | Φ50 | Φ16 | Φ65 | 5 | M8 | Z3/4" |
BB-B20 | 76 | 131 | ||||||||||
BB-B25 | 81 | 136 | ||||||||||
BB-B32 | 88 | 143 | ||||||||||
BB-B40 | 85 | 115 | 32 | 37 | 134 | 144 | Φ55 | Φ22 | Φ80 | 6 | M8 | Z3/4" |
BB-B50 | 90 | 149 | ||||||||||
BB-B63 | 97 | 156 | ||||||||||
BB-B80 | 102 | 135 | 40 | 46 | 154 | 175 | Φ70 | Φ30 | Φ95 | 8 | M8 | 进口Z3/4" |
BB-B100 | 109 | 182 | ||||||||||
BB-B125 | 118 | 191 |
输送介质有腐蚀性时,如胶水、聚氨酯发泡材料、涂料、油漆等,订货时需说明,或选用我厂生产的BB-BN※H1型填料密封油泵
liuzhixiang@szyyj.com
1046705846
0523-87892448

